Koszyk
Rabat: 0.00 PLN
Rabat: 0.00 PLN
Digital Skipper |11/06, 2024
To FAQ jest częścią naszej nowej serii poświęconej rozwiązywaniu problemów z systemami Sonar. Znajdziesz tu przewodniki dotyczące badania i rozwiązywania typowych problemów z SONARem, w tym zakłóceń i ustawień. Niezależnie od tego, czy używasz systemu SONAR RV, RVM, czy AIRMAR CHIRP, oferujemy instrukcje krok po kroku, aby zapewnić optymalną wydajność. Jeśli potrzebujesz pomocy z instalacją lub testowaniem.
CZĘŚĆ 1 - BŁĄD SONAR - Brak podłączonego przetwornika - przewodnik badawczy
CZĘŚĆ 2 - Wprowadzenie do zakłóceń SONAR
CZĘŚĆ 3 - Badanie zakłóceń SONAR – Ustawienia ręczne
CZĘŚĆ 4 - USTAWIENIA I TEST SONAR - Gdy SONAR nie jest dotknięty zakłóceniami
CZĘŚĆ 5 - USTAWIENIA I TEST SONAR - Gdy SONAR jest dotknięty zakłóceniami
CZĘŚĆ 6 - Test rezystora czujnika przetwornika RV i RVM
Zanim przystąpisz do rozwiązywania problemów i konfiguracji systemu, upewnij się, że Twój AXIOM ma najnowsze oprogramowanie. Skorzystaj z poniższego linku, aby sprawdzić najnowszą wersję oprogramowania dla Twojego AXIOM i uzyskać więcej informacji na temat aktualizacji przez WIFI lub kartę micro SD. https://www.raymarine.eu/service-and-support/software-updates/mfds/lighthouse4/axiom-models/
Poniższy proces wyjaśnia, co należy zrobić, gdy wykryto zakłócenia w systemie SONAR. Jeśli nadal widzisz zakłócenia, nawet gdy wszystkie (lub większość) urządzeń w systemie są WYŁĄCZONE, a silnik jest WYŁĄCZONY, postępuj zgodnie z naszym nowym przewodnikiem, który zawiera dodatkowe kroki rozwiązywania problemów. Jeśli nie możesz wykonać wszystkich lub części poniższych sugestii, możesz poprosić o pomoc Dział Wsparcia Produktu lub autoryzowanego dealera Raymarine.
Zakłócenia mogą być spowodowane słabym lub brakiem uziemienia w systemie SONAR. Upewnij się, że postępujesz zgodnie z instrukcjami z instrukcji instalacji modułu SONAR lub AXIOM, który działa jako główne źródło sonaru zainstalowane na pokładzie, i przetestuj, czy to rozwiąże problemy z zakłóceniami.

Możesz pobrać najnowszą wersję dowolnej instrukcji Raymarine, klikając poniższy link. https://www.raymarine.com/en-gb/support/raymarine-user-manuals
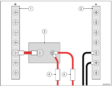
Izoluj zasilanie. Odbywa się to poprzez izolowanie zasilania modułu SONAR lub AXIOM i podłączenie go do zewnętrznej baterii, która nie jest podłączona do niczego innego. Wszelkie problemy związane z zasilaniem zostaną w ten sposób wyeliminowane.
Moduł SONAR do AXIOM
Odłącz moduł SONAR od głównego zasilania i podłącz go do zewnętrznego zasilania, jak pokazano.
Nie musisz zmieniać zasilania AXIOM, jeśli używany jest jego wewnętrzny SONAR. Jeśli tak jest, zobacz przykład poniżej.
Wewnętrzny SONAR AXIOM
Odłącz AXIOM od głównego zasilania i podłącz go do zewnętrznego zasilania, jak pokazano.

Zakłócenia mogą być przenoszone z zewnętrznego źródła do kabla przetwornika (okablowania) lub samego przetwornika. Najlepszym sposobem sprawdzenia, czy tak jest, jest podłączenie innego przetwornika do AXIOM lub modułu SONAR, luźne poprowadzenie kabla (nie przez okablowanie) i umieszczenie przetwornika z boku łodzi i w wodzie (co najmniej 60 cm głębokości).
Moduł SONAR do AXIOM
Wyłącz moduł SONAR, odłącz stały przetwornik od modułu SONAR i podłącz nowy przetwornik testowy z boku łodzi.
Nie instaluj nowego przetwornika na stałe i nie prowadź kabla przez żadne okablowanie ani zawory. Poprowadź kabel luźno do modułu SONAR.

Wewnętrzny SONAR AXIOM
Wyłącz AXIOM, odłącz stały przetwornik od AXIOM i podłącz nowy przetwornik testowy z boku łodzi.
Nie instaluj nowego przetwornika na stałe i nie prowadź kabla przez żadne okablowanie ani zawory. Poprowadź kabel luźno do AXIOM.

To kończy ostatnią część naszej serii przewodników rozwiązywania problemów z Sonarem. Jeśli nadal masz problemy z zakłóceniami na swojej łodzi, nie wahaj się poprosić o pomoc Dział Wsparcia Produktu lub skontaktuj się z lokalnym autoryzowanym dealerem Raymarine.