Istruzioni passo-passo per integrare l'autopilota ST1000/2000 con SeaTalk ng tramite convertitore SeaTalk 1, inclusi schemi elettrici e suggerimenti.
Come si collega un autopilota ST1000/2000 a una rete SeaTalk ng tramite il convertitore SeaTalk 1 a SeaTalk ng? Ecco una guida dettagliata passo-passo con schemi elettrici per sistemi SeaTalk ng sia autonomi che esistenti.
Passo-passo: Collegamento di ST1000/2000 tramite convertitore SeaTalk
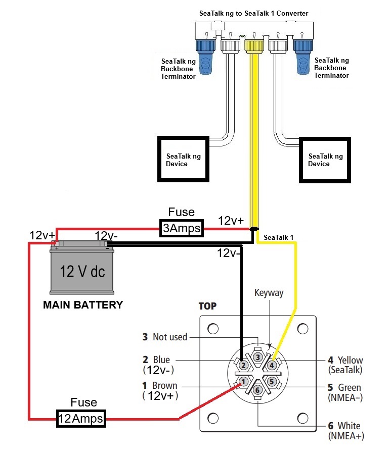
- Prepara il convertitore: Il convertitore SeaTalk 1 a SeaTalk ng consente ai dispositivi SeaTalk 1 più vecchi di comunicare con la nuova rete SeaTalk ng. Assicurati di avere il convertitore e i cavi corretti.
- Collega l'autopilota: Collega l'ST1000/2000 alla porta SeaTalk 1 del convertitore con un cavo SeaTalk 1 compatibile.
- Collega alla dorsale SeaTalk ng: Utilizza un cavo SeaTalk ng per collegare la porta SeaTalk ng del convertitore alla dorsale della rete.
- Controlla le connessioni: Assicurati che tutti i cavi siano collegati correttamente e che il convertitore riceva alimentazione. Conferma che l'autopilota sia integrato nella rete.
- Configura i dispositivi: Regola le impostazioni sull'ST1000/2000 e su altri dispositivi SeaTalk ng per una comunicazione corretta.
Seguendo questi passaggi, puoi integrare facilmente il tuo autopilota ST1000/2000 con il sistema SeaTalk ng.
Schema elettrico 1 – Sistema SeaTalk ng autonomo
NOTA: Se hai già una rete SeaTalk ng alimentata, consulta lo Schema elettrico 2.

Schema elettrico 2 – Sistema SeaTalk ng alimentato esistente
NOTA: Se la rete è già alimentata, scollegare e isolare il cavo rosso dal cavo adattatore SeaTalk ng giallo.

Suggerimenti per i migliori risultati
- Utilizzare sempre cavi e connettori originali per evitare problemi di comunicazione.
- Verificare che la rete abbia una terminazione e un'alimentazione corrette.
- Dopo l'installazione, testare la funzione dell'autopilota in diversi scenari per garantire una comunicazione stabile.